| Sign In | Join Free | My webtextiles.com |
|
Brand Name : SUMA
Model Number : CCFH-3/4-SB
Certification : ISO SGS
Place of Origin : CHINA
MOQ : 10PCS
Price : USD3-USD5 PER PIECE
Payment Terms : L/C, D/A, D/P, T/T, Western Union,Paypal
Supply Ability : 100000 PCS PER MONTH
Delivery Time : 2-3Days
Packaging Details : Carton Box / Wooden Box
Product Name : Heavy Duty Cam Follower CCFH-3/4-SB
Material : Bearing Steel GCr15
Outer Race Surface : Crowned
Package : Each in plastic bag + Carton Box
Warranty : 6 Months
Port : ShangHai / NingBo
OEM : Accept
CCFH-S CCFH-SB Series Crowned Heavy Duty Cam Follower CCFH-3/4-SB
Features of Heavy Duty Cam Follower
CCFH-1-B Crowned With Hex Hole Heavy duty cam follower
CCFH-1-SB Crowned Seald and Hex Hole Heavy duty cam follower
The typical functions of a cam follower are to provide anti-friction support of linear movement or to follow the surface of a cam.
SUMA Stud Cam Follower was designed to withstand the intermittent shock, loading and precision requirements associated with these applications.
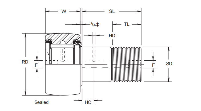
Technical Datas of Heavy Duty Cam Follower

| INSEALED BRG. NO. | ROLLER DIA (RD) | ROLLER WIDTH (W) | STUD DIA (SD) | STUD LENGTH (SL) | MIN. THREAD LENGTH (TL) | FINE THREAD | OIL HOLE | LUS FITTING SIZE (F) | RRCOM. CL AMPING TORQUE LSS. IN | MAX STATIC CAPACITY LSS. | SASIC DYN. RATING LSS. | |
| HOLE CENTER (HC) | HOLE DIA(HD) | |||||||||||
| CCFH-1/2-S | 0.500 | 0.375 | 0.250 | 5/8 | 1/4 | 1/4-28 | 35 | 1580 | 680 | |||
| CCFH-9/16-S | 0.5625 | 0.375 | 0.250 | 5/8 | 1/4 | 1/4-28 | 35 | 1580 | 680 | |||
| CCFH-5/8-S | 0.625 | 0.4375 | 0.3125 | 3/4 | 5/16 | 5/16-24 | 90 | 2480 | 955 | |||
| CCFH-11/16-S | 0.6875 | 0.4375 | 0.3125 | 3/4 | 5/16 | 5/16-24 | 90 | 2480 | 955 | |||
| CCFH-3/4-S | 0.750 | 0.500 | 0.4375 | 7/8 | 3/8 | 7/16-20 | 1/4 | 3/32 | 3/16 | 250 | 4130 | 1660 |
| CCFH-7/8-S | 0.875 | 0.500 | 0.4375 | 7/8 | 3/8 | 7/16-20 | 1/4 | 3/32 | 3/16 | 250 | 4130 | 1660 |
| CCFH-1-S | 1.000 | 0.625 | 0.625 | 1 | 1/2 | 5/8-18 | 1/4 | 3/32 | 3/16 | 650 | 6120 | 2225 |
| CCFH-1 1/8-S | 1.1250 | 0.625 | 0.625 | 1 | 1/2 | 5/8-18 | 1/4 | 3/32 | 3/16 | 650 | 6120 | 2225 |
| CCFH-1 1/4-S | 1.250 | 0.750 | 0.750 | 1 1/4 | 5/8 | 3/4-16 | 5/16 | 3/32 | 3/16 | 1250 | 8500 | 3930 |
| CCFH-1 3/8-S | 1.375 | 0.750 | 0.750 | 1 1/4 | 5/8 | 3/4-16 | 5/16 | 3/32 | 3/16 | 1250 | 8500 | 3930 |
| CCFH-1 1/2-S | 1.500 | 0.875 | 0.875 | 1 1/2 | 3/4 | 7/8-14 | 3/8 | 3/32 | 3/16 | 1500 | 11280 | 4840 |
| CCFH-1 5/8-S | 1.625 | 0.875 | 0.875 | 1 1/2 | 3/4 | 7/8-14 | 3/8 | 3/32 | 3/16 | 1500 | 11280 | 4840 |
| CCFH-1 3/4-S | 1.750 | 1.000 | 1.000 | 1 3/4 | 7/8 | 1-14 | 7/16 | 3/32 | 3/16 | 2250 | 15840 | 6385 |
| CCFH-1 7/8-S | 1.875 | 1.000 | 1.000 | 1 3/4 | 7/8 | 1-14 | 7/16 | 3/32 | 3/16 | 2250 | 15840 | 6385 |
| CCFH-2-S | 2.000 | 1.125 | 1.125 | 2 | 1 | 1 1/8-12 | 1/2 | 1/8 | 3/16 | 2800 | 21140 | 8090 |
| CCFH-2 1/4-S | 2.250 | 1.125 | 1.125 | 2 | 1 | 1 1/8-12 | 1/2 | 1/8 | 3/16 | 2800 | 21140 | 8090 |
| CCFH-2 1/2-S | 2.500 | 1.250 | 1.250 | 2 1/4 | 1 1/8 | 1 1/4-12 | 9/16 | 1/8 | 3/16 | 3450 | 32900 | 11720 |
| CCFH-2 3/4-S | 2.750 | 1.250 | 1.250 | 2 1/4 | 1 1/8 | 1 1/4-12 | 9/16 | 1/8 | 3/16 | 3450 | 32900 | 11720 |
| CCFH-3-S | 3.000 | 1.500 | 1.500 | 2 1/2 | 1 1/4 | 1 1/2-12 | 5/8 | 1/8 | 1/4 | 5000 | 49820 | 15720 |
| CCFH-3 1/4-S | 3.250 | 1.500 | 1.500 | 2 1/2 | 1 1/4 | 1 1/2-12 | 5/8 | 1/8 | 1/4 | 5000 | 49820 | 15720 |
| CCFH-3 1/2-S | 3.500 | 1.750 | 1.750 | 2 3/4 | 1 3/8 | 1 3/4-12 | 11/16 | 1/8 | 1/4 | 5000 | 63250 | 22800 |
| CCFH-4-S | 4.000 | 2.000 | 2.000 | 3 1/2 | 1 1/2 | 2-12 | 3/4 | 1/8 | 1/4 | 5000 | 89540 | 29985 |
Application of Heavy Duty Cam Follower
| Food and Beverage | Packaging equipment | Unit material handling |
| Auto Plants | Oil Drilling | Steel Mills |
| Texitiles / Printing | Automation equipment | Machine Tools |
Pictures of Heavy Duty Cam Follower


FAQ
Q: How do you pack the cam follower ?
Q: Can i get the samples from you?
A: It is highly encouraged to ask for the samples for quality check.
Q: Can you promise to deliver the goods in time?
|
|
CCFH-S CCFH-SB Series Crowned Heavy Duty Cam Follower CCFH-3/4-SB Images |